Построение режекторного фильтра на основе всепропускающего

Содержание

Введение
В предыдущей статье мы подробно рассматривали всепропускающие фильтры и их свойства. Мы говорили, что передаточная характеристика всепропускающего фильтра , где – порядок фильтра обладает свойством симметрии коэффициентов числителя относительно знаменателя. Благодаря этому свойству всепропускающий фильтр обладает рядом замечательных свойств, в частности фильтр второго порядка имеет передаточную характеристику у которой всего два коэффициента: и (напомним что в общем случае цифровой фильтр второго порядка имеет пять коэффициентов). Кроме того всепропускающие фильтры могут строиться по рекуррентной схеме, минимизируя количество умножений. В данной статье мы увидим, что фильтр который все пропускает очень полезен при построении на его основе фильтров режекции сигнала (notch filter).

Передаточная характеристика режекторного фильтра на основе всепропускающего
Рассмотрим фильтр показанный на рисунке 1. В структуру данного фильтра входит всепропускающий фильтр второго порядка.


Рисунок 1: Режекторный фильтр на основе всепропускающего фильтра второго порядка

Рассмотрим передаточную характеристику показанного фильтра. Для этого рассмотрим z-образ выходного сигнала относительно z-образа входного сигнала :
(1)
где – передаточная характеристика всепропускающего фильтра второго порядка полученная на основе рекуррентного соотношения:
(2)
Из выражения (1) можно выразить передаточную характеристику :
(3)
Распишем передаточную характеристику с учетом (2):
(4)
Заметим, что передаточная характеристика полученного фильтра зависит всего от двух коэффициентов: и

Связь частоты режекции с коэффициентами фильтра
Потребуем, чтобы комплексный коэффициент передачи
(5)
на частоте был равен нулю, т.е. . Для этого достаточно, чтобы числитель (5) при был равен нулю, а знаменатель не равен нулю, т.е.
(6)
Откуда следует что
(7)
Получили, чтобы вырезать некоторую частоту достаточно задать коэффициент согласно (7). В качестве примера, на рисунке 2 показаны АЧХ и ФЧХ режекторного фильтра для трех частот режекции: (красный график при ); (синий график при ) и (зеленый график при ). При этом коэффициент во всех трех случаях был одинаковым.

Для просмотра SVG графики Вам необходимо обновить браузер

Для просмотра SVG графики Вам необходимо обновить браузер
Рисунок 2: АЧХ и ФЧХ режекторного фильтра при различной частоте режекции

Из рисунка 2 можно заметить, что АЧХ на заданных частотах равна нулю, а ФЧХ претерпевает разрыв. Причем можно обратить внимание, что , кроме того при (синий график) можно обратить внимание, что полученная АЧХ симметрична относительно частоты , т.е. . Действительно при комплексный коэффициент передачи фильтра принимает вид:
(8)
a его АЧХ равна:
(9)
Тогда АЧХ:
(10)
что и требовалось доказать.

Связь полосы режекции с коэффициентами фильтра
Таким образом мы выяснили как зависит АЧХ режекторного фильтра от параметра всепропускающего фильтра, а именно однозначно задает частоту режекции, но нам осталось понять на что влияет параметр .
На рисунке 3 показаны АЧХ и ФЧХ режекторного фильтра при и различных параметрах .


Для просмотра SVG графики Вам необходимо обновить браузер

Для просмотра SVG графики Вам необходимо обновить браузер
Рисунок 3: АЧХ и ФЧХ режекторного фильтра при различных коэффициентах и

Очевидно, что при приближении к единице, ширина АЧХ вблизи частоты режекции уменьшается.
Рассмотрим как связана ширина полосы режекторного фильтра вблизи частоты режекции от параметра , для этого рассмотрим рисунок 4.


Рисунок 4: Ширина полосы режекторного фильтра при
Поскольку , то АЧХ симметрична относительно частоты режекции , тогда обозначим полосу фильтра по уровню как . Таким образом необходимо найти такое значение при котором АЧХ режекторного фильтра (9) при на частоте была бы равна , т.е.
(11)
Получили уравнение, из которого необходимо выразить через . Для начала возведем обе части уравнения в квадрат, для того чтобы избавится от корня:
(12)
Сделаем некоторые преобразования: вынесем в числителе двойку за скобки, после чего умножим обе части уравнения на два и получим:
(13)
Перенесем знаменатель в правую часть
(14)
Раскроем скобки в левой части и приведем подобные.
(15)
Решением квадратного уравнения относительно будет:
(16)
Получили два решения, подставив можно выразить:
(17)
Мы получили два значения , из которых один больше единицы (если знак «+»), а второй меньше единицы (если знак «-»). Обратим внимание, что если , и , то полюсы передаточной характеристики режекторного фильтра (4) лежат вне единичной окружности плоскости z. Это означает, что фильтр при и является неустойчивым, и окончательно можно записать:
(18)
В литературе, в частности в [RMV1] можно встретить другую эквивалентную формулу:
(19)
Думаю, интересующийся читатель сможет применить тригонометрические тождества для доказательства равенства
. (20)
Таким образом, мы получили, что коэффициент задает полосу режекторного фильтра по уровню (-3 дБ).

Структурная схема режекторного фильтра на основе всепропускающего
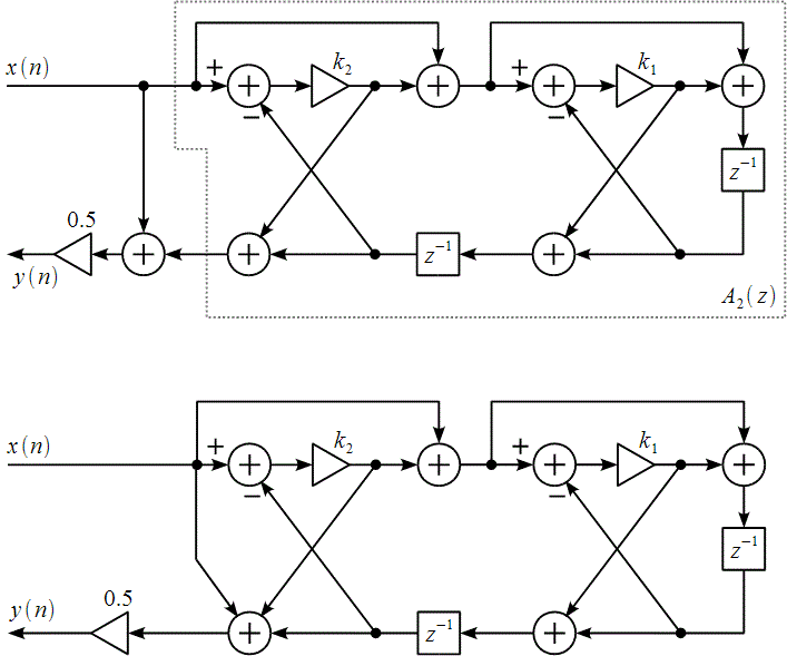
На рисунке 5 показана видоизмененная структура режекторного фильтра на основе всепропускающего фильтра второго порядка.


Рисунок 5: Видоизмененная структурная схема режекторного фильтра

Структура всепропускающего фильтра на основе рекуррентного соотношения (подробно рассмотренная в предыдущей статье) показана на рисунке 6.


Рисунок 6: Структурная схема всепропускающего фильтра

Тогда можно представить структуру режекторного фильтра как это показано на рисунке 7.


Рисунок 7: Структурная схема режекторного фильтра

Обратим внимание, что на нижнем рисунке 7 объединены два сумматора, которые стоят друг за другом на верхнем рисунке 7.

Выводы
Таким образом подведем итог. Мы рассмотрели использование всепропускающего фильтра для построения режекторного фильтра и получили структуру режекторного фильтра с двумя коэффициентами и , причем коэффициент однозначно задает частоту, которая будет полностью подавлена согласно выражению (7), а задает полосу фильтра по уровню -3 дБ согласно выражению (18) и (19). Это очень удобно, поскольку коэффициенты не зависят друг от друга и их можно задавать по отдельности. Таким образом, получен фильтр, который можно перестраивать в реальном времени, просто заменяя коэффициенты и .

Любые вопросы и пожелания вы можете оставить в гостевой книге, на форуме, или прислать по электронной почте admin@mtyar.ru


Система Orphus
Любое копирование материалов сайта без разрешения автора запрещено.
Разработка и дизайн Бахурин Сергей.